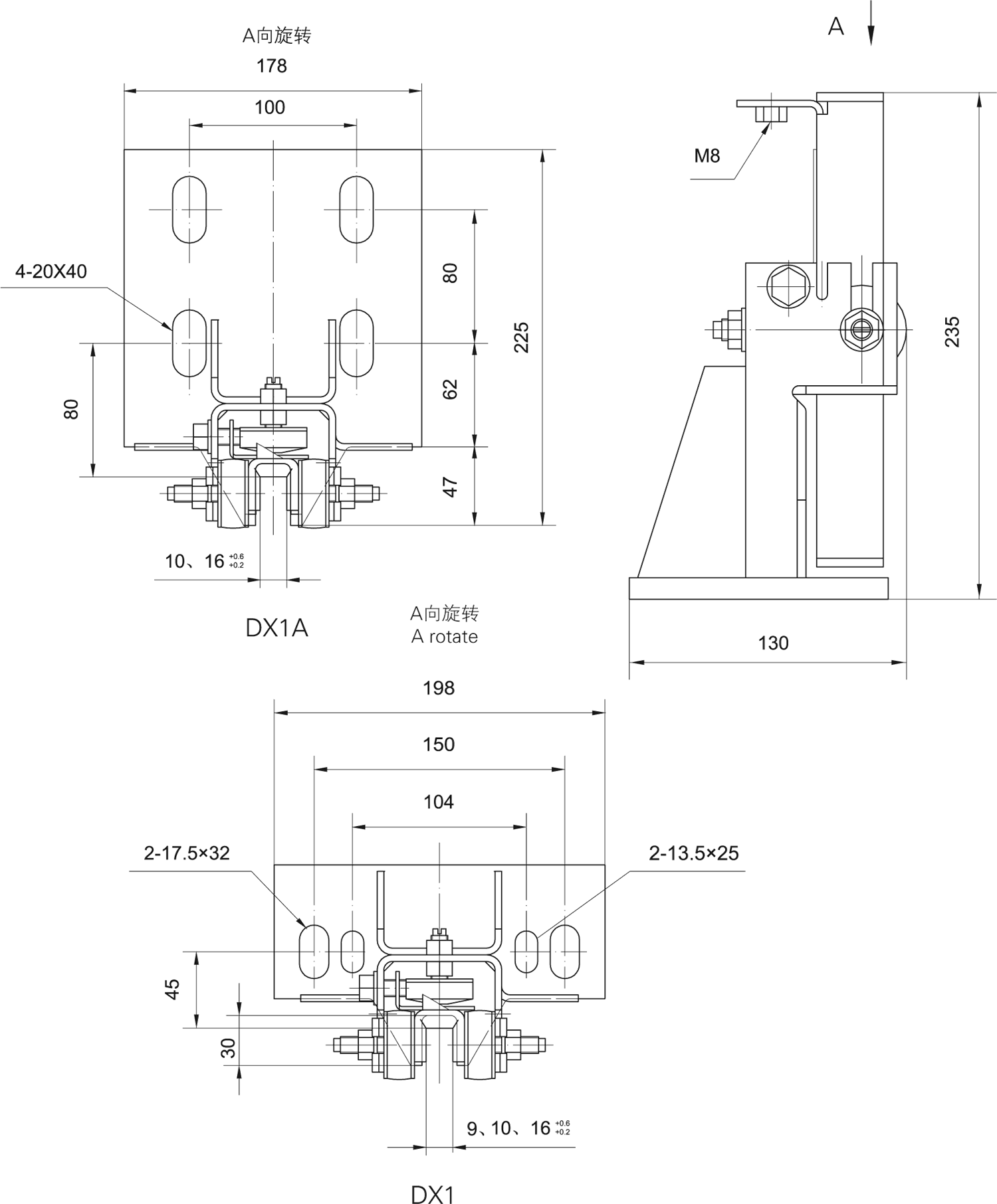
DX1(DX1A)滑(huá)動導靴(xuē)
技術參數
1、額定速度:≤2.0m/s
2、額定載重量:≤1250kg
3、導軌麵正壓力:≤1000N
  導軌麵側壓力:≤700N
4、導軌寬度:9,10,16mm
 適用範圍:對重側
5、額定速度:≤2.5m/s
6、對重重量:≤8000kg
詳情可致電“86-316-2018793”谘詢
產品介紹


网站地图 草莓丝瓜香蕉向日葵榴莲绿巨人ios-榴莲视频向日葵视频绿巨人视频-草莓丝瓜向日葵黄瓜榴莲污绿巨人-午夜向日葵视频在线视频观看视频-草莓丝瓜香蕉向日葵榴莲大全解锁版下载-丝瓜草莓榴莲向日葵18岁app下载