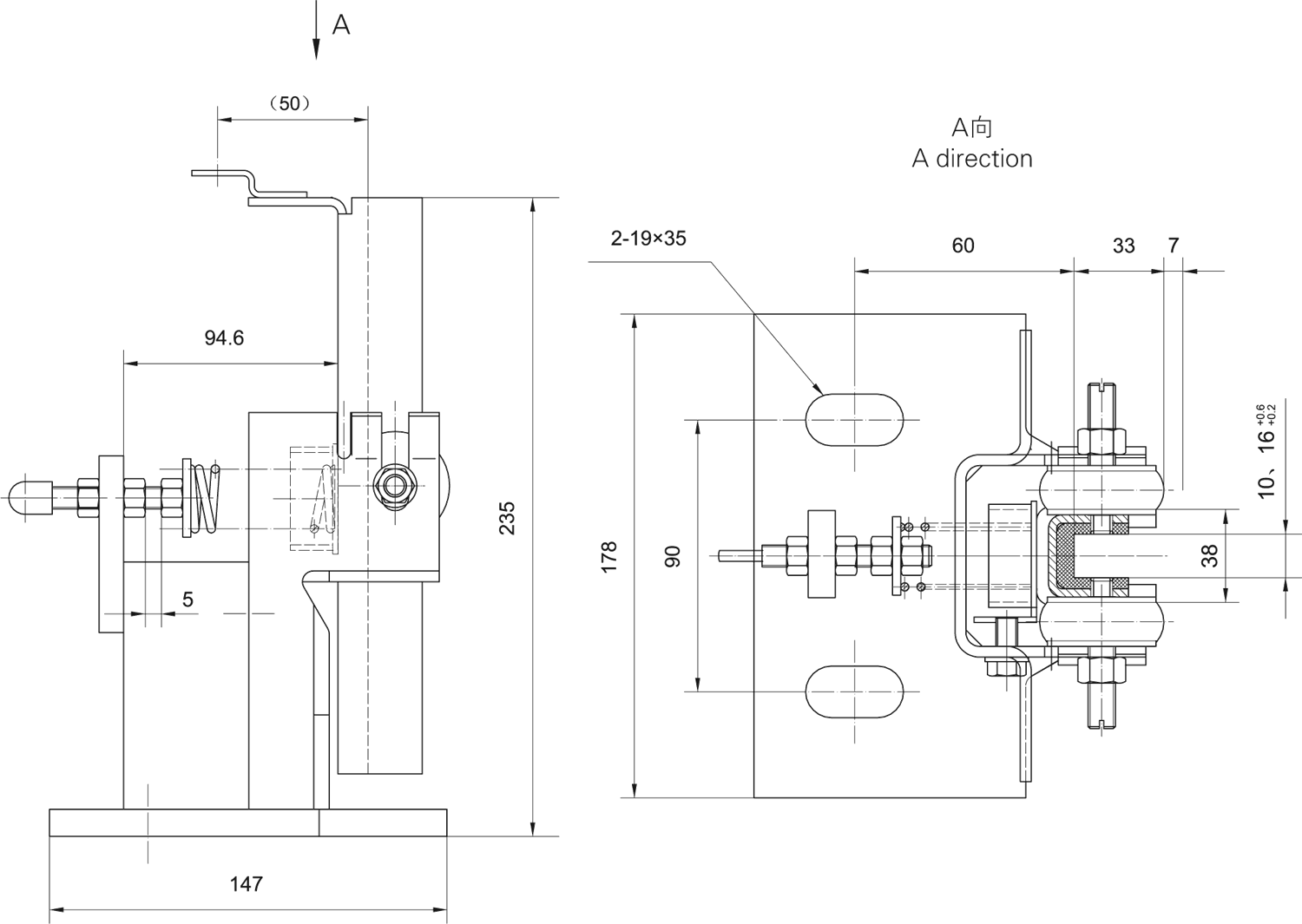
DX1B滑動導靴(xuē)
技術參數
1、額定速度(dù):≤2.5m/s
2、額定載重量:≤1250kg
3、導軌(guǐ)麵正壓(yā)力:≤1000N
  導軌麵側壓力:≤700N
4、導軌寬度:10,16mm
詳情可致電“86-316-2018793”谘詢
產品介紹


网站地图 草莓丝瓜香蕉向日葵榴莲绿巨人ios-榴莲视频向日葵视频绿巨人视频-草莓丝瓜向日葵黄瓜榴莲污绿巨人-午夜向日葵视频在线视频观看视频-草莓丝瓜香蕉向日葵榴莲大全解锁版下载-丝瓜草莓榴莲向日葵18岁app下载