XS1限速器
1、額定速度:V:1.m/s-4.0m/s
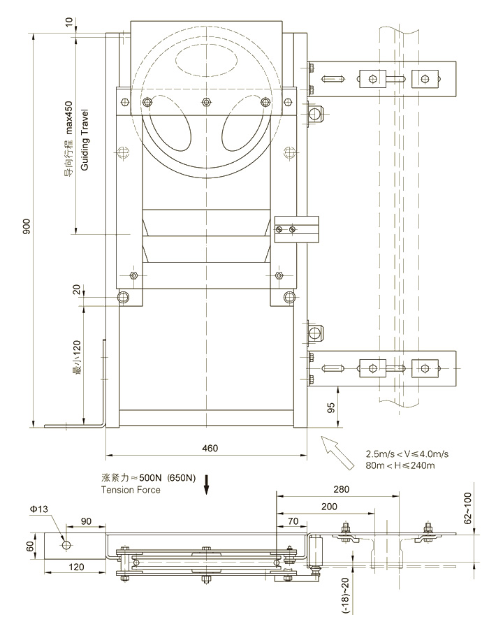
2、繩張力:F:1000N-1500N
3、鋼絲繩直徑:Φ8mm
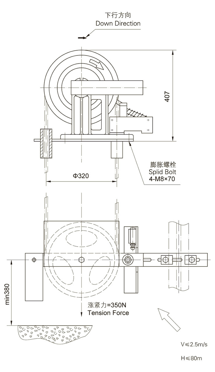
4、繩輪節圓直徑:Φ320mm
5、電梯提升高(gāo)度(dù)H適(shì)用範圍:
  a)擺臂式漲緊裝置漲緊力350N:H≤80m;
  b)垂直(zhí)式漲緊裝置漲緊力500N:80<H≤150m;
  c)垂直式漲(zhǎng)緊裝置漲緊(jǐn)力650N:150<H≤240m;
詳情(qíng)可致電“86-316-2018793”谘詢
產品介紹









 
网站地图 草莓丝瓜香蕉向日葵榴莲绿巨人ios-榴莲视频向日葵视频绿巨人视频-草莓丝瓜向日葵黄瓜榴莲污绿巨人-午夜向日葵视频在线视频观看视频-草莓丝瓜香蕉向日葵榴莲大全解锁版下载-丝瓜草莓榴莲向日葵18岁app下载