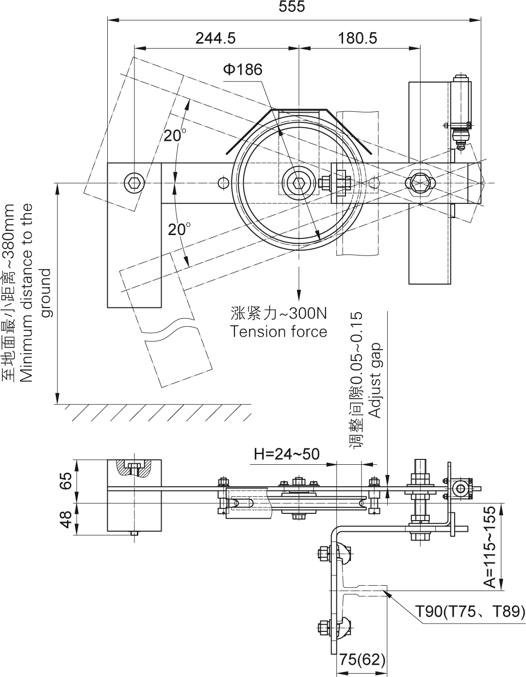
BZJ1D對重擺臂式張緊裝置
技術參數
1、繩輪(lún)節圓(yuán)直(zhí)徑:Φ186mm
2、鋼絲繩直徑:Φ6mm
3、漲(zhǎng)緊力:300N
注:用於其它導軌時,訂貨單中應注(zhù)明導軌型號和(hé)A、H值
詳情可致電“86-316-2018793”谘詢
產品介紹

网站地图 草莓丝瓜香蕉向日葵榴莲绿巨人ios-榴莲视频向日葵视频绿巨人视频-草莓丝瓜向日葵黄瓜榴莲污绿巨人-午夜向日葵视频在线视频观看视频-草莓丝瓜香蕉向日葵榴莲大全解锁版下载-丝瓜草莓榴莲向日葵18岁app下载