BZJ1張緊裝置
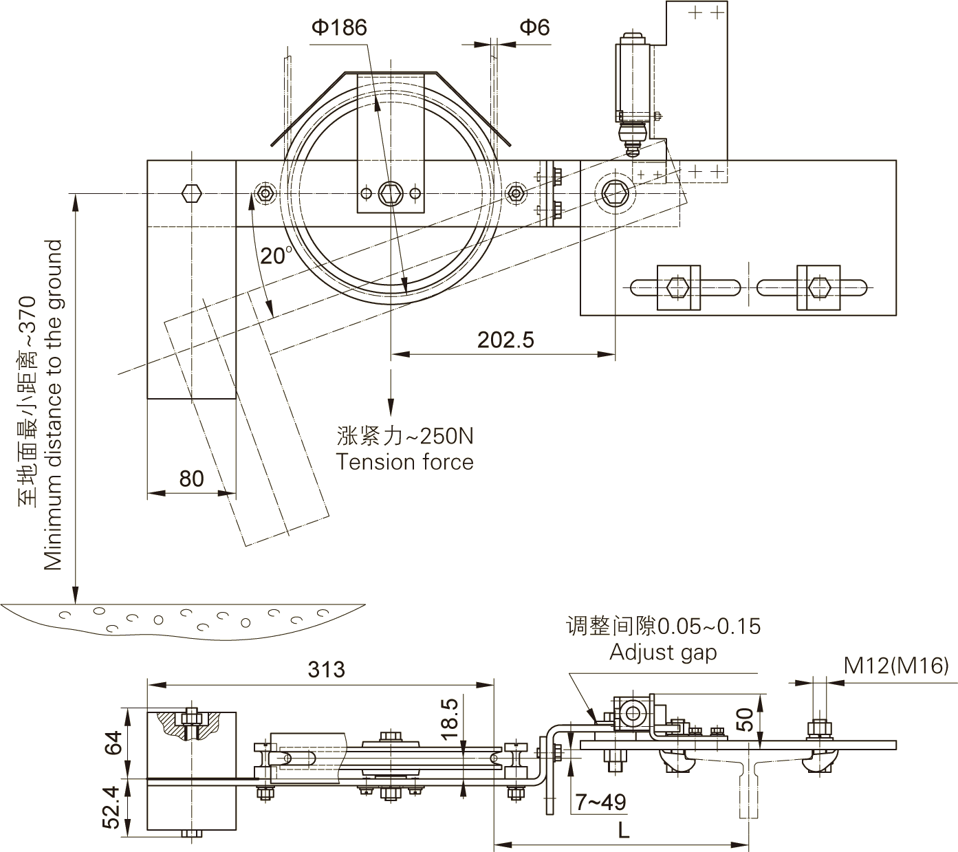
本漲緊裝置為擺臂式結構,漲緊重塊材料為鑄鐵,位置尺寸(cùn)的調整範圍見附表。
詳情可致電(diàn)“86-316-2018793”谘詢
產品(pǐn)介紹


网站地图 草莓丝瓜香蕉向日葵榴莲绿巨人ios-榴莲视频向日葵视频绿巨人视频-草莓丝瓜向日葵黄瓜榴莲污绿巨人-午夜向日葵视频在线视频观看视频-草莓丝瓜香蕉向日葵榴莲大全解锁版下载-丝瓜草莓榴莲向日葵18岁app下载