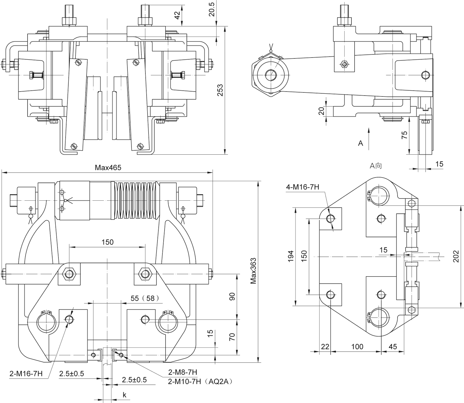
AQ2(AQ2A)安全鉗
參(cān)數見下表
詳情可致電“86-316-2018793”谘詢
產品介紹
AQ2(AQ2A)安全鉗

AQ2(AQ2A)安全鉗

AQ2(AQ2A)安全鉗

网站地图 草莓丝瓜香蕉向日葵榴莲绿巨人ios-榴莲视频向日葵视频绿巨人视频-草莓丝瓜向日葵黄瓜榴莲污绿巨人-午夜向日葵视频在线视频观看视频-草莓丝瓜香蕉向日葵榴莲大全解锁版下载-丝瓜草莓榴莲向日葵18岁app下载